چت در واتساپ
فیلتر محصولات
ولتاژ پمپ
توان نامی
سازنده
جریان نامی
نوع کنترل
حداکثر فرکانس خروجی
کی پد (نمایشگر)
مدل


330 ولت DC(خروجی تکفاز)

پمپ خورشیدی: 10.2A / 1.5kW / 220V/1ph

 

مقایسه

پمپاژ خورشیدی آب

اینورتر (درایو) پمپ خورشیدی سه‌فاز و تکفاز | راهنمای ساده + قیمت و خرید

اینورتر پمپ خورشیدی یکی از تکنولوژی‌های نسبتاً جدید در زمینه محصولات پمپاژ آب خورشیدی است. درایو خورشیدی به کمک سایر اجزای یک سیستم سولار باعث می‌شود بتوانیم بدون پرداخت هزینه انرژی، آب را از اعماق زمین برای کاربردهایی مانند کشاورزی، دامداری و ... استخراج کنیم. در این مقاله به بررسی جنبه‌های مختلف پمپاژ آب خورشیدی خواهیم پرداخت و فاکتورهای مؤثر بر آن، از جمله اینورتر پمپ خورشیدی، را مورد بررسی قرار خواهیم داد.

چه روش‌هایی برای یکنواخت کردن پمپاژ آب خورشیدی در تمام روز (و یا حتی شب) وجود دارد؟ در این مقاله پاسخ داده خواهد شد.

آبیاری خورشیدی

پمپ خورشیدی چیست؟

هنوز مناطق و روستاهایی وجود دارند که برق ندارند یا دسترسی به برق نامطمئن است. در بسیاری از این مناطق هوا گرم و خشک است، بنابراین تأمین آب آشامیدنی یا آب کشاورزی حیاتی است. در اینگونه مناطق استفاده از انرژی خورشیدی جهت پمپاژ آب رو به افزایش است. سیستم پمپ آب خورشیدی از انرژی پنل‌های خورشیدی برای تامین برق مورد نیاز پمپ آب استفاده می‌کند. کل فرایند، از نور خورشید تا آب حاصل از پمپاژ، بسیار ساده است. پمپاژ آب برق زیادی نیاز دارد. خورشید منبع انرژی تقریباً نامحدودی در اختیار ما می‌گذارد که با برنامه‌ریزی و تجهیزات مناسب می‌توان به کمک آن بدون نیاز به زیرساخت برق در هر جایی آب پمپاژ کرد.

سیستم پمپ خورشیدی نیاز به برق شبکه یا دیزل ژنراتور را حذف می‌کند.

کاربرد پمپ خورشیدی

بیشترین تقاضا برای پمپ آب خورشیدی در مناطق روستایی خارج از شبکه برق است که برای کاربردهایی شامل موارد زیر است:

  • آبیاری مزارع کشاورزی
  • تأمین آب برای دام و احشام
  • تأمین آب آشامیدنی برای مدارس و مراکز بهداشتی
  • تأمین آب آشامیدنی در مقیاس بزرگتر (مثلا آب روستا)
کاربرد انرژی خورشیدی

مهم‌ترین کاربرد پمپ خورشیدی در سیستم‌های آبیاری خورشیدی است که امکان مکانیزه‌تر کردن آبیاری را فراهم می‌کنند.

مزایای پمپ آب خورشیدی

  • پمپ آب خورشیدی سوختی مصرف نمی‌کند و لذا هزینه ای برای این مورد پرداخت نمیشود و مشکلات تامین سوخت وجود ندارد.
  • برخلاف سیستم‌های دیزلی (یعنی جایی که ژنراتور دیزلی، برق پمپ را تامین می‌کند)، پمپاژ خورشیدی انرژی پاک است و گاز و آلایندگی تولید نمیکند.
  • سیستم‌های پمپاژ خورشیدی بادوام و قابل‌اطمینان‌اند. پنل‌های خورشیدی طول عمر بیش از ۲۰ سال دارند و پمپ‌های خورشیدی برخلاف پمپ‌های دیزلی، قطعات متحرک کمتر و لذا هزینه نگهداری اندکی دارند.
مزایای پمپاژ خورشیدی

معایب پمپاژ خورشیدی

با وجود تمام مزایایی که یک سیستم پمپ خورشیدی د ارد، می توان معایب زیر را هم برای آن برشمرد:

  • سیستم‌های پمپاژ خورشیدی می‌تواند منجر به استخراج بیش‌ازحد آب‌های زیرزمینی شود.
  • با وجود اینکه از باتری برای ذخیره‌سازی برق استفاده نمیشود (بخاطر گران بودن) و آب در تانک ذخیره میشود، همچنان هزینه تانک زیاد است.
  • خروجی آب سیستم‌های پمپ خورشیدی متناسب با تابش است. لذا هنگام طراحی لازم است خروجی را برای روزهایی که تابش کمتر خواهد بود ارزیابی کرد.
  • کاهش سطوح آب چاه، عملکرد پمپ و خروجی آب را تحت‌تأثیر قرار می‌دهد.
  • تأمین‌کنندگان تخصصی سیستم‌های پمپاژ خورشیدی ممکن است در برخی مناطق در دسترس نباشند. این موضوع در حال بهبود است.
  • هزینه اولیه بالا: سیستم پمپاژ خورشیدی هزینه اولیه بالایی دارد. هرچند هزینه اولیه نصب یک سیستم خورشیدی از یک پمپ دیزلی بالاتر است، اما هزینه کل استفاده از یک سیستم پمپ خورشیدی به‌مراتب کمتر از موتور برق و دیزل است. زیرا در بلندمدت صرفه‌جویی‌ها این هزینه اولیه را جبران می‌کنند. از جمله این صرفه‌جویی‌ها کاهش هزینه‌های سوخت و کاهش هزینه‌های نگهداری و سرویس است. معمولاً زمان بازگشت اضافه هزینه اولیه برای یک سیستم پمپ خورشیدی حدود 2.5 سال است. البته قاعدتا این امر به فاکتورهای متعددی بستگی دارد.
هزینه انرژی پمپاژ خورشیدی

اجزای سیستم‌های پمپاژ خورشیدی

اجزای حیاتی یک سیستم آبیاری خورشیدی عبارت‌اند از: خود پمپ، پنل‌ها، اینورتر ، تابلو برق، اتصالات و کابل‌های مربوطه و حتی تجهیزات آبیاری متناسب با زمین و محصول (برای مثال لوله‌های آبیاری). البته تجهیزات تکمیلی مانند سنسور ها، تانک (مخزن آب) و ... نیز هستند. به‌دلیل قیمت بالا و اینکه آبیاری معمولاً در طول روز انجام می‌شود، اغلب پمپ‌های خورشیدی باتری ندارند.

برخی تأمین‌کنندگان سیستم‌های پمپاژ خورشیدی بسته‌هایی می‌فروشند که تمام مؤلفه‌های اصلی آبیاری را شامل می‌شود و بعضی فقط قطعاتی مثل پمپ، موتور و اینورتر را عرضه می‌کنند. در یک سیستم پمپ خورشیدی سه قسمت اصلی پمپ، اینورتر و پنل خورشیدی مجموعا حدود ۶۰٪ از قیمت کل سیستم را تشکیل می‌دهند.

اجزای سیستم آبیاری خورشیدی

پنل خورشیدی

انرژی و توان لازم برای به حرکت درآوردن یک سیستم پمپ خورشیدی مستقیماً از پنل های خورشیدی تأمین می‌شود. این پنل ها تابش خورشید را از طریق اثر فوتوالکتریک مستقیماً به جریان الکتریکی تبدیل می‌کنند. کیفیت پنل های خورشیدی و تطابق مشخصات آن‌ها با هم بسیار مهم است (به‌ویژه در سیستم پمپ خورشیدی که شامل مجموعه بزرگ پنل های خورشیدی سری‌شده هستند) زیرا عملکرد مجموعه پنل ها (و در نتیجه عملکرد سیستم پمپ خورشیدی) به عملکرد ضعیف‌ترین پنل وابسته است. حتی یک پنل با خروجی نامطلوب می‌تواند تأثیر مخربی داشته باشد.

پنل خورشیدی

مقدار انرژی خورشیدی بستگی به مکان و جهت‌دهی پنل‌ها دارد. پنل‌ها باید رو به استوا باشند، با زاویه مناسب (بر اساس عرض جغرافیایی و شرایط آب و هوایی) تا هم تابش بیشتری دریافت کنند و هم پاک‌سازی پنل‌ها در فصل بارندگی بهتر صورت گیرد. موقعیت جغرافیایی و زاویه نصب پنل‌ها تأثیر زیادی بر توان خروجی دارد — خورشیدی که با زاویه ۹۰ درجه به پنل می‌تابد انرژی بسیار بیشتری نسبت به تابش با زاویهٔ ۶۰ درجه فراهم می‌کند. همچنین پنل خورشیدی باید بگونه ای نصب شوند که از سایه‌افتادن روی آن در هر زمان از روز جلوگیری شود.

شکل زیر یک نمونهٔ از منحنی توان روزانهٔ یک پنل خورشیدی در شرایط بدون ابر است.

خروجی پنل خورشیدی

از آنجایی که بسیاری از سیستم‌های پمپ خورشیدی در مناطق دورافتاده قرار دارند، خطر خرابکاری و سرقت وجود دارد. لذا پنل‌ها نباید به‌راحتی برای عموم قابل دسترسی باشند. لذا ممکن است پنل های خورشیدی نزدیک به پمپ قرار نگیرد و بنابراین کابل‌های طولانی‌تر لازم باشد که با تلفات انرژی ممکن است همراه باشد و باید مد نظر قرار گیرد.

علاوه بر تابش، دما هم بر مقدار توان تولیدی پنل خورشیدی تأثیر می‌گذارد و افزایش دما باعث کاهش خروجی توان می‌شود. شکل زیر خروجی یک پنل خورشیدی را برای دماهای مختلف نشان می دهد. بنابراین در اجرا باید تهویه مناسبی برای پنل خورشیدی در نظر گرفته شود تا افزایش دما محدود شود.

ولتاژ مدارِ باز پنل (Voc) باید در حد بالای ولتاژ کاری درایو قرار گیرد اما نباید از محدودهٔ ولتاژ مجاز درایو فراتر برود (اطلاعات پنل برای شرایط استاندارد ارائه می‌شوند و تابش قوی و دماهای سرد می‌توانند ولتاژهای بالاتری تولید کنند! و به درایو آسیب رسانند).

محاسبه تعداد پنل مورد نیاز:

 

Voc: ولتاژ مدار باز یک پنل

VDCmax: حداکثر ولتاژ کاری باس DC

Pm: توان الکتروپمپ

Pn: توان یک پنل خورشیدی

 

محاسبه تعداد شاخه های موازی پنل‌ها (Np):

Np = Pm*Voc / (Pn*VDCmax)

عدد NP حاصل به سمت بالا رند می شود. همچنین برای محاسبه تعداد پنل های سری در هر شاخه (Ns) داریم:

Pm / (Np*Pn) < Ns < VDCmax / Voc

 عدد NS باید در بازه فوق انتخاب شود. NS بزرگتر به معنای توان بیشتر خورشیدی است ولی هزینه خرید پنل ها افزایش می یابد.

بعنوان مثال فرض کنید میخواهیم برای یک پمپ خورشیدی 22 کیلووات با اینورتر پمپ خورشیدی که VDCmax=750 ولت است، پنل های 540 وات و 49 ولت انتخاب کنیم. تعداد پنل مورد نیاز می شود:

Np = 22000*49 / (540*750) = 2.66  ⇒ Np=3

Ns: 22000/(3*540) < Ns < 750/49

Ns: 13.58 < Ns < 15.3  ⇒  Ns = 14 or 15

 

لذا انتخاب شامل 42 یا 45 پنل میشود که در 3 شاخه موازی 14 یا 15 تایی قرار می گیرند.

برخی که می‌خواهند پمپاژ را به حداکثر برسانند، ظرفیت پنل را بسیار بیشتر و بزرگ‌تر از ظرفیت درایو انتخاب می‌کنند — مثلاً در مثال فوق 4 شاخه موازی 15 تایی؛ لذا در بیشتر روز درایو با ظرفیت کامل خود کار می‌کند و در روزهای ابری‌تر درایو درصد بیشتری از توان را تحویل می‌دهد.

خروجی پنل خورشیدی 2

انواع پمپ خورشیدی

پمپ خورشیدی آب را از منبع (مثلا چاه) تا نقطه مصرف یا ذخیره پمپ می کند. در سال‌های اخیر پیشرفت‌های تکنولوژیک، کیفیت عملکرد پمپ‌ها را به‌طرز چشمگیری بهتر کرده و اکنون پمپ‌هایی خورشیدی وجود دارند برای پمپاژ آب از عمق ۵۰۰ متر یا دبی 150m³/h.

پمپ خورشیدی

سیستم‌های پمپ خورشیدی از دو نوع اصلی پمپ استفاده می‌کنند: پمپ‌های جابجایی-مثبت و پمپ‌های سانتریفیوژ. پمپ‌های جابجایی مثبت خود تقسیم می‌شوند به پمپ‌های حجمی و پمپ‌های روتور مارپیچی (helical rotor). به‌طور کلی:

  • پمپ‌های جابجایی مثبت هلیکال برای دبی کم و هد یا ارتفاع پمپاژ بالا (200m) مناسب‌اند. لذا امکان پمپاژ مقادیر کم آب از عمق زیاد را فراهم می‌سازد.
  • پمپ‌های شناور سانتریفیوژ یا گریز از مرکز برای دبی بالا و هد پمپاژ پایین‌تر (70m) مناسب‌اند.
  • پمپ‌های روتور مارپیچی برای عملکرد در شرایط تابش خورشیدی کم و متغیر مناسب‌اند، چون می‌توانند در دورهای پایین بدون از دست دادن بازده کار کنند.
  • پمپ‌های سانتریفیوژ یا گریز از مرکز در زیر یک سرعت آستانه، هیچ آبی تولید نمی‌کنند و بنابراین در تابش کم یا متلاطم بسیار ناکارآمدترند.

از سوی دیگر پمپ‌های خورشیدی مناسب برای کشاورزان به‌صورت پمپ‌های شناور و پمپ های سطحی (افقی) عرضه می‌شوند. مصرف توان و راندمان این دو نوع پمپ تفاوت چشمگیری دارد:

پمپ‌های شناور خورشیدی برای چاه‌ها با عمق حدود ۱۰۰ متر و بیشتر کاربرد دارند، به توان بیشتری نیاز دارند و نصب پنل خورشیدی بیشتر و بزرگ‌تری لازم دارند؛ بنابراین گران‌تر هستند. این نوع پمپ‌های خورشیدی در مناطقی رایج‌اند که آب بیشتری نیاز است یا آب تنها در عمق زیاد قابل دسترسی است.

پمپ‌های خورشیدی افقی یا سطحی در کنار منبع آب مثل یک دریاچه یا رودخانه نصب می‌شوند و حداکثر از عمق حدود ۵–۱۰ متر می‌توانند پمپ کنند.

پمپاژ خورشیدی سطحی

پمپ خورشیدی کوچک

پمپ‌های آب توسط موتو‌رهای الکتریکی به چرخش در می آیند که انرژی الکتریکی حاصل از خروجی پنل حورشیدی را به انرژی چرخشی برای پمپ تبدیل می‌کنند. این موتورها یا با جریان مستقیم (DC) کار می‌کنند یا با جریان متناوب(AC).

موتورهای DC برای پمپ خورشیدی بهتر هستند زیرا خروجی پنل خورشیدی که جریان DC است، می‌تواند با حداقل هزینه، مستقیماً به موتور DC متصل شود (خصوصا برای پمپ های کوچک). پمپ های خورشیدی کوچک عموما DC هستند. البته اگر کابل‌کشی طولانی باشد، پمپ خورشیدی DC بخاطر ولتاژ پایین مناسب نیست چون افت ولتاژ در کابل ایجاد میشود. در حال حاضر پمپ DC بالاتر از ۵ کیلووات موجود نیست.

 

⭐در پمپ خورشیدی بزرگتر باید از موتور AC استفاده کرد که نیاز به اینورتر خورشیدی دارند.

 

اینورتر پمپ خورشیدی

در گذشته «پمپ خورشیدی» به پمپ‌هایی گفته می‌شد که مستقیم با پنل خورشیدی کوپل می‌شدند و معمولاً از موتورهای DC استفاده می‌کردند که به‌دلیل محدودیت‌های فنی اغلب به حدود 4 کیلووات محدود بودند؛ اما پیشرفت‌های تکنولوژی اینورتر، انقلابی در استفاده از انرژی خورشیدی برای پمپاژ آب پدید آورده باعث شده پنل‌های خورشیدی بتوانند پمپ‌های AC با توان‌های بالاتر را راه‌اندازی کنند و به‌این‌ترتیب امکان پمپاژ حجم‌های آب بیشتر و ارتفاع بالاتر فراهم شده است. امروزه اینورتر خورشیدی تا توان 500 کیلووات هم تولید شده است.

اینورتر پمپ خورشیدی توان DC خروجی پنل خورشیدی را به توان AC برای پمپ تبدیل کند. بیشتر اینورترهای پمپ خورشیدی، خروجی AC سه‌فاز دارند؛ اینورترهای خورشیدی در پمپ تک‌فاز کمتر کاربرد دارند. در توان های کوچک، به جای پمپ خورشیدی تکفاز، استفاده از پمپ‌های خورشیدی DC رایج تر است.

پمپاژ آب خورشیدی پایدار

میدانیم شدت نور در طول روز و یا حتی بر حسب فصل تغییر میکند. همچنین در قسمت قبل اشاره شد علاوه بر نور حتی دما هم بر توان خروجی پنل خورشیدی موثر است. خب پس با این وجود برای داشتن یک پمپاژ خورشیدی نسبتا پایدار و ثابت راه حل چیست؟

  • استفاده از باتری: همانطور که در بالا اشاره شد، این کار معقول نیست. قیمت باتری بسیار بالاست.
  • استفاده از تانکر ذخیره آب: در آبیاری خورشیدی، آب پمپاژشده می تواند در یک مخزن آب مرتفع ذخیره شود و سپس آبیاری به‌وسیله نیروی گرانش انجام گیرد که در هر زمان قابل استفاده است. تانک یا مخزن مرتفع مانند یک باتری عمل می‌کند و انرژی را به‌صورت آب ذخیره می‌نماید. باید یک سنسور سطح آب در مخزن نصب شود که برای جلوگیری از سرریز، پمپ را خاموش کند. البته یک سنسور سطح آب در چاه هم باید نصب شود برای هشدار پایین رفتن سطح آب چاه
  • افزایش تعداد پنل های خورشیدی: این کار هم می تواند انجام شود تا در مدت بیشتری از طول روز، پمپاژ آب به قدر کافی داشته باشیم. البته قیمت پنل خورشیدی هنوز هم خیلی بالاست و راه حل معقولی نیست.
  • استفاده از قابلیت MPPT اینورتر خورشیدی - در ادامه تشریح می شود.
  • اینورتر پمپ خورشیدی هیبرید - در ادامه تشریح می شود.

قابلیت MPPT در اینورتر پمپ خورشیدی

برخی برای کاهش هزینه، پنل را نزدیک به ظرفیت درایو انتخاب می‌کنند — مثلاً درایو 4kW با پنل 5kW — با این کار هزینه کاهش می یابد ولی در روزهای ابری درایو اغلب کمتر از ظرفیت نامی خود کار می‌کند. خب. در اینجا قبل از هزینه برای افزایش تعداد پنل‌ها، باید از پنل‌های موجود بیشترین بهره‌وری را داشته باشید. MPPT در اینورتر پمپ خورشیدی برای این مقصود است.

اینورتر پمپ خورشیدی می تواند با تغییر شدت نور، میزان آب خروجی پمپ را تطبیق دهد به نحوی که بیشترین آب ممکن پمپاژ شود. این کار با اندازه‌گیری ولتاژ خروجی پنل‌های خورشیدی انجام می گیرد و باعث میشود که بیشترین توان ممکن از پنل خورشیدی استخراج شود و پمپاژ پمپ خورشیدی را در تمام طول روز به حداکثر ممکن می‌رساند. به این کار ردیابی نقطه توان حداکثری (Maximum Power Point Tracking یا MPPT) می‌گوییم که ویژگی بسیار مهمی در اینورتر خورشیدی است و از هدررفت انرژی دریافتی پنل خورشیدی جلوگیری می‌کند.

 

اما اینورتر پمپ خورشیدی چگونه این کار را انجام می دهد؟

نمودار زیر عملکرد و خروجی یک پنل خورشیدی را نشان می دهد. نمودار قرمز منحنی عملکرد I-V است. نمودار آبی توان قابل استحصال از پنل خورشیدی خواهد بود.(توان حاصل‌ضرب جریان و ولتاژ است)

ولتاژ پنل با تابش تا حدودی تغییر می‌کند اما توان خروجی بسیار تغییرپذیر است. در نمودار فوق همانطور که ملاحظه میشود نقطه حداکثر توان (نوک منحنی آبی) دقیقاً بر زانو یا خم منحنی جریان/ولتاژ (منحنی قرمز) قرار دارد. برای حداکثر کردن پمپاژ آب، باید سرعت موتور را به‌طور مداوم به نحوی تنظیم کنیم تا نقطه کاری I-V پنل خورشیدی منطبق بر قله نمودار توان باشد. یا به بیان ساده‌تر حاصلضرب ولتاژ–جریان پنل حداکثر شود. این تنظیم باید بصورت لحظه‌ای و پیوسته صورت گیرد و با تغییر شدت نور آپدیت شود.

هرگاه تابش خورشیدی به‌قدر کافی باشد تا برق لازم برای راه‌اندازی پمپ خورشیدی را تولید کند، اینورتر خورشیدی پمپ را استارت می کند. حتی در زمانی که به‌دلیل عبور ابر، تغییرات ناگهانی در ولتاژ DC رخ می‌دهد. قابلیت MPPT به جلوگیری از آسیب به الکتروموتور و پمپ کمک می‌کند.

اینورتر پمپ خورشیدی هیبرید

اگر صرفا تکیه بر انرژی خورشیدی در جایی کافی نیست و نیاز را مرتفع نمیکند، برای عدم توقف الکتروپمپ در ساعات مختلف شبانه‌روز یا در شبکه‌های برق ناپایدار می‌توان ار ترکیب پنل خورشیدی و برق AC استفاده کرد. به این سیستم آبیاری هیبریدی هم می‌گویند. در آبیاری خورشیدی هیبرید، اینورتر از پنل خورشیدی به‌عنوان منبع اصلی برق استفاده می‌کند و چنانچه در ساعاتی از روز، مقدار انرژی خورشیدی کافی نباشد، منبع برق AC از ژنراتور دیزلی یا شبکه برق را برای راه‌اندازی پمپ خورشیدی استفاده می‌نماید.

این ساختار در مواردی که تقاضای آب با استفاده از انرژی خورشیدی به‌تنهایی قابل‌تأمین نیست، امکان پمپاژ آب را فراهم می‌ساز؛ مانند:

  • نیاز به پمپاژ آب فراتر از روز خورشیدی وجود دارد.
  • پمپاژ در روزهای خیلی ابری یا شب ضروری باشد.
  • اندازه منبع یا تانکر ذخیره آب محدود است.
  • طی روز، پمپ خورشیدی قادر به تأمین آب کافی نیست.
  • تقاضای آب، فصلی و متغیر است.
  • و ...

امروزه اینورتر های پمپ خورشیدی با قابلیت ورودی توان دوگانه DC-AC موجودند. برای حداکثر کردن پمپاژ آب در طول روز و کاهش مصرف برق AC می‌توان هر دو منبع AC و DC را هم‌زمان متصل کرد. به این ترتیب اینورتر، پمپ خورشیدی را در طول روز با حداکثر توان و پمپاژ آب به کار می اندازد (با کمترین مصرف برق AC) و در طول شب هم پمپاژ با برق AC ادامه می یابد.

درون برخی اینورتر های پمپ خورشیدی هیبرید توسط سازنده امکانات لازم مثل کلیدهای ایزولاسیون برای جلوگیری از تداخل دو منبع توان تعبیه شده است. در غیر اینصورت باید مدار و تابلو برق کنتاکتوری لازم استفاده شود. همچنین ماژول‌هایی برای سوئیچ اتوماتیک بین پنل خورشیدی و شبکه برق برحسب شدت نور وجود دارند. این ماژول ولتاژ پنل خورشیدی را چک می‌کند و وقتی ولتاژ پایین‌تر از آستانهٔ تعیین‌شده باشد، کنتاکتور را فعال کرده و برای تأمین نیاز انرژی برق AC را وارد مدار می‌کند.

نصب اینورتر خورشیدی در نواحی گرم

اینورتر پمپ خورشیدی سازندگان معتبر می‌توانند در دماهای تا °60C کار کنند. با این حال، همانند پنل‌ها، توان قابل تامین اینورتر خورشیدی هم با افزایش دما کاهش می‌یابد. خروجی اینورتر تا دمای °40C بصورت نامی قابل ارائه است. برای دماهای بالاتر به ازای هر °1C افزایش، توان قابل تامین اینورتر 1% کاهش می یابد (البته بسته به مدل ممکن است تفاوتهایی وجود داشنه باشد). مانند پنل‌ها، یکی از راه‌های حفظ عملکرد در دماهای بالا، بزرگ‌تر انتخاب‌کردن ظرفیت اینورتر خورشیدی (oversizing) است.

علاوه بر این اینورتر هرگز نباید در یک محیط کاملاً بسته نصب شوند. فضایی که اینورتر در آن قرار می‌گیرد باید ورودی هوای کافی داشته باشد تا بیشترین جریان هوا برای خنک‌سازی فراهم شود. بسته به اندازه، ممکن است یک سیستم تهویه برای ایجاد جریان هوا در تابلو برق یا اتاق کنترل در نظر گرفته شود تا تهویهٔ کافی جهت گردش هوا برای خنکسازی اینورتر فراهم شود. در مواردی که اینورترها داخل تابلو برق در یک اتاق کنترل نصب می‌شوند، درصورت نیاز می توان طی ساعات کاری، درِ تابلو باز گذاشته شود تا هوا جریان یابد و خنک‌سازی انجام شود.

 

اینورتر معمولاً زیر سازهٔ پنل نصب می‌شود که محافظ خوبی در برابر باران و تابش مستقیم است.

 

فیلتر یا چوک خروجی اینورتر خورشیدی

برای اینکه تلفات کابل (افت ولتاژ) در سمت DC حداقل گردد اینورتر پمپ خورشیدی باید تا حد امکان به پنل‌ها نزدیک باشد. از طرفی با این کار و نیز با توجه به اینکه پمپ در عمق چاه است، طول کابل اینورتر تا پمپ خورشیدی ممکن است بالغ بر 100 یا حتی 200 متر شود. افزایش طول کابل بین اینورتر و موتور مشکلاتی ایجاد می‌کند که ممکن است نیاز به فیلتر برای جلوگیری از آسیب به پمپ و اینورتر خورشیدی را ایجاب کند.

از آنجایی که اینورتر ولتاژ ورودی را بکلی تغییر می‌دهد، شکل موج سینوسی کاملا تغییر می‌یابد که می‌تواند عمر موتور را تحت‌تأثیر قرار دهد و تلفات موتور را افزایش دهد. برای حل این مشکلات از فیلتر سینوسی یا چوک خروجی برای اینورتر پمپ خورشیدی استفاده می شود. فیلتر سینوسی یا چوک خروجی بین اینورتر و پمپ نصب می‌شوند و باعث کاهش تنش ولتاژی روی سیم‌پیچ‌های موتور، استرس روی عایق‌بندی موتور و کاهش نویز آکوستیک موتور می‌شوند. این فیلترها تلفات موتور را کاهش می‌دهند زیرا خروجی پالس‌شکل اینورتر را به شکل موج سینوسی نزدیک می‌کنند.

سنسورهای کنترل سطح آب

در پمپاژ خورشیدی پایش و کنترل لحظه‌ای سطح آب چاه و تانک و مخازن ضروری است و این کار با استفاده سنسور سطح آب انجام میشود. رایج‌ترین نوع سنسور سطح آب، از نوع فلوتر (شناوری) است که در سطح معینی داخل مخزن یا چاه آویزان می‌شود. اینورتر پمپ خورشیدی ترمینالهایی برای اتصال این کلیدهای فلوتر دارد. مثلا وقتی سطح آب تانک بالا می‌آید، فلوتر، روی سطح تانک شناور شده و سیگنالی به اینورتر می‌دهد تا پمپ را متوقف کند. همچنین کلید شناوری وقتی سطح مخزن تا حد مشخصی پایین بیاید، سیگنالی برای روشن‌شدن پمپ ارسال می‌کند. بدین‌ترتیب سطح آب مخزن در محدوده مناسبی نگه داشته می‌شود و از کمبود یا نبود آب در چاه یا سرریز مخزن جلوگیری می‌شود.

شکل زیر نحوه اتصال سوئیچ های فلوتر چاه و تانک به ترمینالهای یک اینورتر پمپ خورشیدی است:

  • کنترل کمبود آب در چاه: ترمینال WEL به یک سر کلید فلوتر چاه و COM به سر دیگر متصل می‌شود. وقتی کلید ON باشد، پمپ خورشیدی متوقف شده و سیستم وارد مُد "حفاظت کمبود آب" می‌شود؛ وقتی کلید OFF باشد، حفاظت غیر فعال می‌شود.
  • فلوتر سطح بالای تانک: ترمینال TH به یک سر کلید فلوتر سطح بالای مخزن و COM به سر دیگر متصل می‌شود. وقتی کلید در حالت ON قرار گیرد، پمپ خورشیدی متوقف شده و سیستم وارد مُد "حفاظت سطح آب بالا" می‌شود؛ وقتی کلید OFF باشد، حفاظت غیرفعال می‌شود.
  • فلوتر سطح پایین تانک: ترمینال TL به یک سر کلید فلوتر سطح پایین مخزن و COM به سر دیگر متصل می‌شود. وقتی کلید ON شود، سیستم وارد مُد "حفاظت سطح آب پایین" شده و پمپ خورشیدی بلافاصله روشن می‌شود؛ وقتی کلید OFF باشد، از وضعیت خارج می‌شود.

مانیتورینگ پمپاژ خورشیدی از راه دور

با ارائه یک ماژول اضافه، برخی برندهای اینورتر پمپ خورشیدی، امکانات پیشرفته‌ای برای مانیتورینگ و کنترل پمپاژ خورشیدی از راه دور ارائه می‌دهند که می‌تواند بسیار مفید باشد. از جمله:

  • اینورتر پمپ خورشیدی را می‌توان از راه دور با کامپیوتر و موبایل کنترل کرد و پارامترهای کلیدی را از راه دور تنظیم نمود. مثل دبی خروجی آب.
  • امکان بررسی از راه دور خطاهای پمپ خورشیدی را فراهم می‌کند و مشکلات در کار و کنترل پمپ و اینورتر را برطرف می‌نماید.
  • پایش جامع (monitoring): اطلاعاتی مانند ولتاژ، جریان و توان پمپ خورشیدی را به‌لحظه دریافت کرده، عملکرد تجهیزات خورشیدی را به‌صورت جامع رصد و با تحلیل آن، کارایی کل سیستم پمپ خورشیدی را به حداکثر می‌رساند.

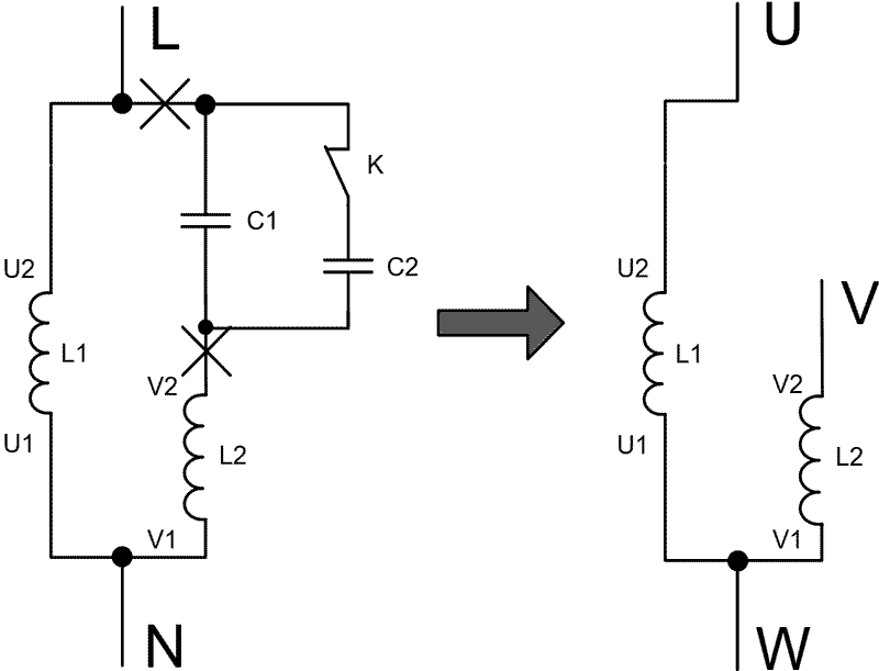
اینورتر خورشیدی برای پمپ تکفاز

چنانچه شما پمپ تکفاز دارید میتوانید آن را با استفاده از اینورتر مخصوص پمپ خورشیدی تکفاز کنترل کنید. بعنوان مثال شرکت اینوت یک مدل اینورتر خورشیدی دارد که پمپ تکفاز را می تواند کنترل کند. در این مدل اینورتر خورشیدی اینوت معمولاً ترمینال‌های خروجی U و W اینورتر به کابل‌های موتور تک‌فاز متصل می‌شوند. اگر با روش فوق پمپ تک‌فاز به‌درستی راه نیفتد، (که با توجه به نوع پمپ ممکن است چنین چیزی پیش بیاید) باید روش کنترل دو فازه به‌کار رود. یعنی باید خازن‌های راه‌انداز و دائم‌کار (در صورت وجود) موتور حذف شوند. شکل زیر سیم‌کشی داخلی موتور تک‌فاز معمولی را نشان می‌دهد:

  • U1 و V1 ترمینال مشترک سیم‌پیچ‌ها هستند — آن‌ها را به ترمینال خروجی W اینورتر متصل کنید.
  • U2 را به ترمینال خروجی U اینورتر وصل کنید.
  • V2 را به ترمینال خروجی V اینورتر وصل کنید.

در شکل، L1 و L2 سیم‌پیچ‌های اصلی و راه‌انداز، و C1 و C2 خازن‌های اصلی و راه‌انداز را نشان می‌دهند. مشخصات کلی:

  • سیم‌پیچ‌های راه‌انداز L2، سیم‌پیچ‌های اصلی L1، و مقاومت RL2 > RL1
  • خازن راه‌انداز C2 و خازن اصلی C1، که C2 > C1 (مثال: C1 = 20µF، C2 = 350µF)

اینورتر پمپ خورشیدی اینوت

شرکت اینوت به عنوان یکی از معتبرترین سازندگان محصولات اتوماسیون در قاره آسیا، اینورترهای متنوعی را برای مقاصد مختلف تولید و عرضه کرده است. یکی از محصولات این شرکت که برای اینورتر پمپ خورشیدی طراحی شده است مدل مخصوص GD170-PV است.

اینورتر پمپ خورشیدی اینوت

 

اینورتر خورشیدی اینوت از توان 0.4 تا 200 کیلووات طراحی شده و به بازار ایران عرضه شده است. رنج وسیع ولتاژ و توان اینورتر اینوت GD170-PV برای کنترل الکتروپمپ‌های تکفاز 0.4-2.2kW و الکتروپمپ‌های سه‌فاز تا 0.4-200kW مناسب است. این اینورتر دارای گارانتی ۲ ساله است که در بازار در حال عرضه شدن است. ما در نمایندگی اینورتر اینوت شما را در انتخاب محصول و اجرای پروژه خورشیدی یاری خواهیم نمود.

 

مشخصات اینورتر خورشیدی اینوت:

  • رنج وسیع ولتاژ و توان برای کنترل الکتروپمپ‌های تکفاز و سه‌فاز تا 200 کیلووات
  • فانکشن MPPT جهت استفاده حداکثری از خروجی پنل‌های خورشیدی با تنظیم اتوماتیک سرعت و دبی پمپ و استارت اتوماتیک پمپ هنگام تقویت شدت نور در صبح یا صاف شدن هوا
  • استفاده آسان و بهره‌برداری تنها با انجام اتصالات و عدم نیاز به هرگونه تنظیمات در 99% موارد با توجه به تنظیمات پیش‌فرض
  • حفاظت‌های اختصاصی مانند حفاظت پنل‌های خورشیدی در برابر اضافه‌جریان، اضافه‌ولتاژ، افت ولتاژ، صحت اتصالات پلاریته و ...
  • آپشن Boost ولتاژ جهت تقویت ولتاژ خروجی پنل‌ها تا توان پمپ 3 اسب و کاهش قابل ملاحظه پنل‌های مورد نیاز
  • دسترسی از راه دور با آپشن GPRS برای مانیتورینگ و کنترل تمامی پارامترهای اینورتر از طریق اینترنت (اپلیکیشن موبایل و کامپیوتر)
  • فانکشن‌های ویژه برای کنترل الکتروپمپ:
    1. کنترل اتوماتیک سطح آب چاه و اتصال سنسورهای سطح بالا/پایین آب
    2. حفاظت در برابر سرریز یا خشک شدن چاه
    3. حفاظت از پمپ در برابر کارکرد خشک و اعلام فالت برای جلوگیری از آسیب
    4. محاسبه و نمایش مقدار دبی و هد پمپ – ثبت و نمایش مجموع آب پمپاژ شده
    5. نمایش زمان کارکرد پمپ با پنل خورشیدی یا شبکه برق

اینورتر پمپ خورشیدی ویچی

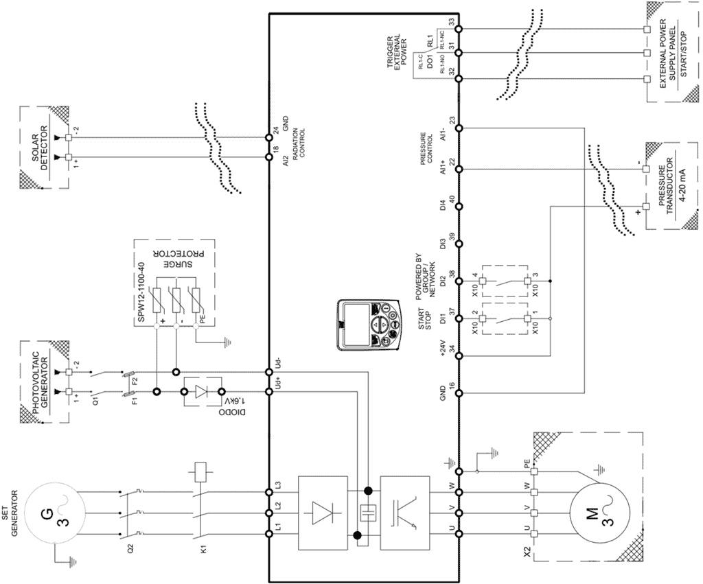
ویچی (VEICHI) یک شرکت فعال در حوزه اتوماسیون صنعتی است که از سال‌های گذشته به توسعه و تولید اینورترها، سیستم‌های سروو، PLC، HMI و محصولات مرتبط با انرژی خورشیدی پرداخته است. از نظر محصولات مرتبط با پمپ‌های خورشیدی، اینورتر سری SI23 یکی از محصولات شاخص ویچی است: اینورترهای SI23 با طراحی «کتابی» و ابعاد جمع‌وجور، الگوریتم‌های پیشرفته MPPT ، امکان مانیتورینگ از راه دور و سازگاری با موتورهای PMSM و القایی، برای کاربردهای آبیاری خورشیدی و پمپاژ صنعتی طراحی شده‌اند و در این نمایندگی اینورتر ویچی عرضه می‌شوند.

اینورتر پمپ خورشیدی ویچی

اینورتر پمپ خورشیدی ویچی مدل SI23 یک درایو قدرتمند برای راه‌اندازی و کنترل پمپ‌های شناور و سانتریفیوژ است که با طراحی «کتابی» و ابعاد جمع‌وجور نصب و نگهداری را ساده می‌کند؛ این سری به‌طور ویژه برای کار با منابع خورشیدی طراحی شده و از الگوریتم‌های پیشرفته MPPT برای استخراج حداکثری توان پنل‌ها و حفظ عملکرد پایدار در شرایط تابش متغیر بهره می‌برد، ضمن اینکه امکان مانیتورینگ سیستم آبیاری یا تامین آب از راه دور (مثلاً از طریق GPRS/IoT) فراهم است. محافظت‌های کامل شامل محافظت در برابر خشک‌کار کردن پمپ (dry-run)، اضافه‌بار، اضافه‌جریان، نوسانات ولتاژ و دما و همچنین کاربری آسان با تنظیمات خودکار و بازبینی خطا، از دیگر مزایای آن است.

 

قابلیت‌های اینورتر پمپ خورشیدی ویچی

  • ورودی‌های دیجیتال مخصوص برای اتصال پروب چاه، کلید شناور مخزن پر، کلیدهای فشار، کلیدهای راه دور و سوئیچینگ جانبی.
  • ورودی‌های آنالوگ برای ۲ عدد سنسور 4-20mA؛ (کاربردها شامل کنترل فشار و سطح)
  • تایمرهای داخلی برای زمان‌بندی بر اساس ساعت، روز یا کنترل فاصلهٔ زمانی
  • با منحنی توان-فشار قابل تنظیم، به کاربر دبی آب را نشان می‌دهد. (بدون نصب فلومتر)
  • حفاظت‌های کامل پمپ از جمله:
    1. حفاظت در برابر کار خشک پمپ (محافظت در برابر بار کم)
    2. حفاظت در برابر ولتاژ زیاد/کم
    3. حفاظت در برابر اضافه‌بار
    4. حفاظت در برابر صاعقه و نوسانات گذرا
    5. حفاظت در برابر دمای زیاد
    6. حفاظت در برابر قطع فاز
    7. حفاظت در برابر بار زیاد، مثلاً هنگامی که لوله/پمپ با گل و لای مسدود شود.

 

⭐یک سوال از شما: استفاده همزمان از قابلیت MPPT و کنترل PID فشار/دبی آب چگونه امکان‌پذیر است؟