اینورتر دانفوس: معرفی تخصصی، تنظیمات + دفترچه و کاتالوگ
اینورتر دانفوس و درایوهای VLT یکی از معتبرترین محصولات در دنیا برای کنترل دقیق موتورهای الکتریکی هستند و در ایران هم محبوبیت زیادی پیدا کردهاند. شرکت دانفوس (Danfoss) با بیش از ۸۰ سال تجربه در طراحی و ساخت تجهیزات صنعتی، همیشه محصولاتی با کیفیت بالا و عملکرد پایدار ارائه داده است.مدلهای مختلف اینورتر دانفوس – از سریهای اقتصادی مثل اینورتر دانفوس FC51 گرفته تا مدلهای پیشرفته مثل درایو دانفوس FC302 – برای کاربردهای گوناگون ساخته شدهاند: از کنترل پمپها و فنها در ساختمانها تا استفاده در صنایع سنگین و محیطهای صنعتی با شرایط سخت.مزایای خرید اینورتر دانفوس تنها به کیفیت آن محدود نمیشود. این محصولات امکاناتی مثل کنترل دقیق سرعت موتور، کاهش مصرف برق، محافظت از تجهیزات و بهینهسازی عملکرد سیستم را در اختیار شما میگذارند. به همین دلیل است که بسیاری از صنایع، از پروژههای ساختمانی تا خطوط تولید بزرگ، به جای برندهای دیگر سراغ درایو دانفوس VLT میروند. همچنین شرکت دانفوس نمایندگی های زیادی در سراسر دنیا و صنعت های مختلف دارد.
در ادامه این مطلب، مدلهای مختلف اینورتر دانفوس را معرفی میکنیم و نکات مهم نصب، راهاندازی آن را بررسی میکنیم.
عزیزان سریع میپردازیم به اصل مطلب . پس با ما همراه باشید!
معرفی کمپانی danfoss- سازنده اینورتر دانفوس
اینورتر دانفوس این روزها یکی از برندهای معتبر و پرتقاضا در بازار تجهیزات کنترل موتور است. درایو دانفوس VLT توسط شرکت دانمارکی دانفوس ساخته میشود که یکی از پیشگامان تولید اینورتر و تجهیزات اتوماسیون در جهان است.
این محصولات به دلیل کیفیت ساخت بالا، طول عمر زیاد و امکانات کنترلی پیشرفته، سالهاست در صنایع مختلف ایران استفاده میشوند؛ از سیستمهای تهویه مطبوع و پمپاژ آب گرفته تا خطوط تولید صنعتی.
قیمت مناسب نسبت به کیفیت، نمایندگی و خدمات پشتیبانی قوی و تنوع مدلها (مثل اینورتر دانفوس FC51 و درایو دانفوس FC302) باعث شده این برند جایگاه ویژهای در بین خریداران تجهیزات صنعتی پیدا کند.
مقر اصلی دانفوس در شهر Nordborg – دانمارک

مدل های مختلف درایو دانفوس FC-103, FC-102, FC-101, FC-51 ،FC-202 ، FC-280 ، FC-302 ، FC-303 است. برای بررسی بیشتر جزئیات و مشخصات فنی هر مدل در ادامه با ما همراه باشید.
بررسی مدلهای مختلف درایو danfoss
اینورتر دانفوس در مدلها و سریهای متنوعی تولید میشود تا بتواند نیازهای مختلف صنعتی و ساختمانی را پوشش دهد. هر مدل ویژگیها و توان مشخصی دارد و برای کاربری خاصی طراحی شده است. و برای استعلام هرکدام از مدل ها کافی است با نمایندگی و تیم پشتیبانی ما تماس بگیرید. برخی از مهمترین سریهای اینورتر دانفوس عبارتند از:
-
اینورتر دانفوس مدل VLT® Micro Drive FC51
کوچک، اقتصادی و مناسب برای ماشینآلات سبک و تجهیزات کوچک. در توان ۰٫۱۸ تا ۲۲ کیلووات و با ورودی تکفاز یا سهفاز عرضه میشود. -
درایو دانفوس مدل VLT® HVAC Basic Drive FC101
مخصوص سیستمهای تهویه مطبوع و پمپهای سبک، با تمرکز بر صرفهجویی در مصرف انرژی. -
درایو دانفوس مدل VLT® HVAC Drive FC102
نسخه پیشرفتهتر FC101 با قابلیت اتصال به سیستمهای مدیریت ساختمان (BMS) و کنترل دقیق تجهیزات تهویه. -
درایو دانفوس مدل VLT® Aqua Drive FC202
طراحیشده برای پمپها و سیستمهای آبرسانی با توابع تخصصی پمپ مثل محافظت در برابر کارکرد خشک و ضربه قوچ. -
درایو دانفوس مدل VLT® Midi Drive FC280
مناسب برای خطوط تولید سبک و متوسط، مجهز به ورودی/خروجیهای متنوع و ارتباط با شبکههای صنعتی. -
درایو دانفوس مدل VLT® AutomationDrive FC301/FC302
قدرتمندترین سری دانفوس برای کاربریهای صنعتی سنگین، با قابلیتهای پیشرفته مانند کنترل برداری حلقهبسته، ایمنی SIL2 و مانیتورینگ پیشرفته.
هر یک از این مدلها بسته به توان، ویژگیها و شرایط کاری، انتخابی ایدهآل برای کاربرد خاص خود محسوب میشوند. انتخاب درست مدل میتواند به کاهش مصرف انرژی، افزایش عمر تجهیزات و بهبود عملکرد سیستم کمک کند.
در ادامه به معرفی مختصر درایو danfoss و مدلهای مختلف آن میپردازیم.
اینورتر دانفوس VLT® Micro Drive FC51
اینورتر دانفوس FC51 یکی از کوچکترین و اقتصادیترین محصولات شرکت دانفوس است که برای کنترل موتور در پروژههای سبک طراحی شده است. این مدل بهخاطر قیمت مناسب، کیفیت بالا و نصب آسان، سالهاست در صنایع مختلف محبوبیت دارد.
طراحی جمعوجور اینورتر FC51 باعث میشود بهراحتی در تابلوهای برق کوچک جا بگیرد. این مدل از مد کنترلی V/F استفاده میکند؛ یعنی ولتاژ و فرکانس موتور را متناسب با هم تغییر میدهد تا موتور نرم و پایدار کار کند. همین ویژگی آن را به گزینهای ایدهآل برای دستگاههایی مثل نوار نقاله، میکسر، پمپهای کوچک و سیستمهای ساده صنعتی تبدیل کرده است.
اینورتر دانفوس FC51 در نسخههای ورودی تکفاز و سهفاز و با توان ۰٫۱۸ تا ۲۲ کیلووات عرضه میشود. رابط کاربری ساده و سیستم حفاظتی قابلاعتماد آن باعث شده بسیاری از سازندگان ماشینآلات، این مدل را بهعنوان انتخاب اول خود در پروژههای کوچک معرفی کنند.
مثل سایر مدلهای درایو دانفوس VLT، اینورتر FC51 نیز نرمافزاری پایدار، توابع حفاظتی کامل و طول عمر بالا دارد. برای نصب، تنظیم پارامترها یا رفع خطاها، میتوانید از دفترچه راهنمای انگلیسی Danfoss FC51 و کاتالوگ PDF استفاده کنید. همچنین کارشناسان فنی در نمایندگی ما میتوانند شما را در آموزش و پیکربندی این مدل راهنمایی کنند.
دفترچه راهنمای انگلیسی اینورتر دانفوسdanfoss FC51
همچنین برای بررسی مشخصات و جزئیات یا بررسی قیمت و نهایتا خرید درایو دانفوس سری danfoss FC51 می توانید از لینک زیر اقدام نمایید.
اینورتر دانفوس Danfoss VLT® HVAC Basic Drive FC 101
اینورتر دانفوس FC 101 یکی از مدلهای محبوب شرکت دانفوس است که بیشتر برای سیستمهای تهویه مطبوع و پمپهای سبک استفاده میشود. این دستگاه با طراحی ساده ولی کارآمد، گزینهای عالی برای پروژههایی است که میخواهند موتور را با دقت کنترل کنند اما هزینه زیادی نپردازند.
این اینورتر به صورت پیشفرض با یک روش کنترل ساده (V/F) کار میکند که باعث میشود دستگاه پایدار باشد و انرژی کمتری مصرف کند. به همین دلیل در ساختمانها و تاسیسات مختلف خیلی پرطرفدار شده و جایگزین برندهای مشابه شده است. نصابها و تعمیرکارهای تهویه مطبوع معمولا این مدل را به دلیل نصب آسان، عمر طولانی و کارکرد بدون مشکل انتخاب میکنند.
یکی از ویژگیهای خوب این دستگاه، صفحه کلید جداشونده و راحت آن است که تنظیمات و عیبیابی را ساده میکند. همچنین طراحی داخلی این اینورتر به گونهای است که تعمیر و نگهداری آن برای تکنسینها آسان باشد.
نکته مهم: این دستگاه برای کارهای سنگین مثل بالابرها یا ماشینآلاتی که فشار زیاد و ضربه دارند مناسب نیست چون کنترل پیشرفته برداری (Vector Control) ندارد. بهتر است بیشتر برای فنها، پمپها و کارهای سبک استفاده شود.
این اینورتر در انواع تکفاز و سهفاز و در توانهای مختلف از 0.25 تا 90 کیلووات عرضه میشود و میتواند نیاز پروژههای کوچک تا متوسط را برآورده کند.
مثل بقیه محصولات دانفوس، این مدل هم نرمافزار کنترل پیشرفته، سیستمهای حفاظتی کامل و کنترل داخلی دارد. پس با اینکه ظاهر سادهای دارد، بسیار قدرتمند و انعطافپذیر است.
اگر میخواهید با نحوه تنظیم و عیبیابی این دستگاه آشنا شوید، بهترین کار استفاده از دفترچه راهنمای انگلیسی دانفوس FC 101 است. همچنین کارشناسان ما آمادهاند تا در آموزش و مشاوره فنی به شما کمک کنند.
دفترچه راهنمای انگلیسی اینورتر دانفوس danfoss FC 101
همچنین برای بررسی مشخصات و جزئیات یا بررسی قیمت و نهایتا خرید درایو دانفوس سری danfoss FC101 می توانید از لینک زیر اقدام نمایید.
درایو دانفوس مدل VLT® HVAC Drive FC‑102
اینورتر دانفوس FC 102 نسخه پیشرفتهتر مدل FC 101 است و برای پروژههای بزرگ تهویه مطبوع و ساختمانهای مجهز به سیستم مدیریت هوشمند (BMS) طراحی شده است. این مدل علاوه بر کنترل ساده V/F، روشهای کنترلی پیشرفته و بهینهسازی مصرف انرژی را ارائه میدهد که میتواند هزینه برق را کاهش دهد.
قابلیت اتصال آسان به سیستمهای هوشمند، پشتیبانی از پروتکلهای ارتباطی مختلف، صفحهکلید جداشونده و طراحی ماژولار از ویژگیهای مهم آن هستند. اینورتر در توان 0.25 تا 1400 کیلووات و نسخههای تکفاز و سهفاز عرضه میشود و برای انواع پروژههای کوچک تا بزرگ مناسب است.
مانند سایر محصولات Danfoss VLT®، این مدل هم مجهز به PLC داخلی، حفاظت کامل و نرمافزار کنترل پیشرفته است.
مثل بقیه محصولات سری Danfoss VLT®، این مدل هم مجهز به PLC داخلی، حفاظتهای کامل و نرمافزار کنترل پیشرفته است. برای یادگیری نصب و تنظیم پارامترها، بهتر است از دفترچه راهنمای فارسی FC 102 استفاده کنید. همچنین کارشناسان ما میتوانند در زمینه آموزش، عیبیابی و مشاوره فنی شما را همراهی کنند.
دفترچه راهنمای فارسی اینورتردانفوس danfoss FC102
همچنین برای بررسی مشخصات و جزئیات یا بررسی قیمت و نهایتا خرید درایو دانفوس سری danfos FC102 می توانید از لینک زیر اقدام نمایید.
درایو دانفوس مدل VLT® Aqua Drive FC‑202
اینورتر دانفوس FC 202 بهطور تخصصی برای پمپها و سیستمهای آبرسانی طراحی شده است و در پروژههایی مثل تصفیهخانههای آب و فاضلاب، ایستگاههای پمپاژ و شبکههای آبرسانی شهری و صنعتی کاربرد دارد.
این مدل با داشتن قابلیتهایی مثل تشخیص کارکرد خشک (Dry Run)، جلوگیری از ضربه قوچ (Water Hammer Protection) و کنترل PID داخلی، باعث میشود سیستم همیشه پایدار و بدون شوک ناگهانی کار کند.
کیپد گرافیکی جداشونده و طراحی کاربرپسند، تنظیمات و مانیتورینگ را ساده میکند. همچنین وجود فیلتر داخلی RFI و مقاومت بالا در برابر شرایط سخت محیطی (تا کلاس حفاظتی IP66/NEMA4X) باعث شده حتی در فضای باز و محیطهای آلوده هم عملکرد قابلاعتمادی داشته باشد.
علاوه بر کنترل V/F، این مدل از روشهای کنترلی پیشرفته استفاده میکند که میتواند مصرف برق سیستم پمپاژ را تا حدود ۳۰٪ کاهش دهد. اینورتر FC 202 در توان 0.25 تا 1400 کیلووات و مدلهای تکفاز و سهفاز عرضه میشود و با داشتن PLC داخلی، حفاظت کامل و نرمافزار تخصصی، یکی از محبوبترین انتخابها در پروژههای آبرسانی است. برای دریافت مشاوره خرید و راهنمایی فنی با نمایندگی ما در ارتباط باشید.
دفترچه راهنمای انگلیسی اینورتر دانفوس danfoss FC202
همچنین برای بررسی مشخصات و جزئیات یا بررسی قیمت و نهایتا خرید درایو دانفوسanfos FC202 می توانید از لینک زیر اقدام نمایید.
اینورتر دانفوس VLT® Midi Drive FC 280
اینورتر دانفوس FC 280 یک دستگاه کاربردی و جمعوجور است که برای کارهای سبک تا متوسط مثل ماشینآلات کوچک، خطوط تولید، نوار نقاله یا میکسرها استفاده میشود. به خاطر طراحی ساده و امکانات متنوع، بین سازندگان دستگاه و کارگاهها بسیار محبوب است.
این مدل نسخه ارتقایافته سریهای قبلی دانفوس است و علاوه بر کنترل سرعت موتور، امکانات بیشتری برای تنظیم و مدیریت دستگاهها دارد. به همین دلیل در خیلی از موارد بدون نیاز به دستگاههای جانبی میتواند فرآیندها را کنترل کند.
از ویژگیهای مهم FC 280 میتوان به برنامه داخلی (PLC ساده)، ورودی و خروجیهای متنوع دیجیتال و آنالوگ، و قابلیت اتصال به شبکههای صنعتی مثل Modbus و CANopen اشاره کرد. همچنین داشتن کیپد جداشونده و منوی راهاندازی سریع باعث شده کار با آن حتی برای افراد کمتجربه هم راحت باشد.
توجه داشته باشید که این مدل برای کارهای سبک و متوسط طراحی شده است. اگر پروژه شما نیاز به قدرت و کنترل بیشتری دارد، پیشنهاد میشود از سریهای قویتر مثل FC 301 یا FC 302 استفاده کنید.
اینورتر FC 280 در توانهای ۰.۳۷ تا ۲۲ کیلووات و برای برق تکفاز و سهفاز عرضه میشود، بنابراین دامنه وسیعی از نیازهای کارگاهی و صنعتی کوچک را پوشش میدهد.
مثل دیگر محصولات دانفوس، این مدل هم از سیستمهای حفاظتی کامل، طراحی مقاوم و قابلیت مانیتورینگ وضعیت سیستم برخوردار است. برای تنظیمات دقیقتر و رفع خطاها میتوانید از دفترچه راهنمای انگلیسی FC 280 استفاده کنید. همچنین تیم پشتیبانی ما آماده مشاوره فنی، آموزش نصب و راهاندازی این مدل است.
دفترچه راهنمای انگلیسی اینورتر دانفوس donfos FC280
همچنین برای بررسی مشخصات و جزئیات یا بررسی قیمت و نهایتا خرید درایو دانفوس سری danfoss FC280 می توانید از لینک زیر اقدام نمایید.
اینورتر دانفوس VLT® AutomationDrive FC 302
اینورتر دانفوس FC 302 یک درایو صنعتی قدرتمند است که برای کاربریهای سنگین و حرفهای طراحی شده است. این مدل بهویژه در پروژههایی که نیاز به کنترل دقیق سرعت و گشتاور موتور دارند، انتخابی ایدهآل به شمار میرود. به دلیل امکانات پیشرفته و کیفیت بالا، در بسیاری از صنایع سنگین از آن استفاده میشود.
برخلاف مدلهای سبکتر مثل FC 280، این سری قابلیتهای کنترلی بسیار بیشتری دارد و میتواند حتی در شرایط سخت صنعتی عملکرد مطمئن و پایدار ارائه دهد.
از مهمترین ویژگیهای FC 302 میتوان به کنترل برداری پیشرفته (Vector Control)، امکان کنترل موتورهای سنکرون و آسنکرون، ورودی و خروجیهای متنوع و پشتیبانی از شبکههای صنعتی مختلف مانند Profibus، Profinet، EtherCAT و Modbus اشاره کرد. همچنین داشتن PLC داخلی و توابع حفاظتی کامل باعث میشود این اینورتر بدون نیاز به تجهیزات جانبی بتواند بسیاری از فرآیندها را مدیریت کند.
این مدل برای کارهایی مانند پمپها، کمپرسورها، فنهای صنعتی، نوار نقالهها، ماشینآلات سنگین و خطوط تولید بزرگ بسیار مناسب است. علاوه بر این، کیپد هوشمند و منوی راهاندازی سریع، استفاده از آن را حتی برای تکنسینهای کمتر باتجربه ساده میکند.
مثل دیگر محصولات خانواده Danfoss VLT®، این درایو هم دارای طراحی مقاوم، قابلیت مانیتورینگ وضعیت سیستم و امکانات پیشرفته عیبیابی است. برای نصب و تنظیمات دقیق توصیه میشود از دفترچه راهنمای انگلیسی FC 302 استفاده کنید. همچنین تیم پشتیبانی ما آماده ارائه مشاوره فنی و آموزش کامل راهاندازی این مدل است.
دفترچه راهنمای انگلیسی اینورتر دانفوس danfoss Fc302
همچنین برای بررسی مشخصات و جزئیات یا بررسی قیمت و نهایتا خرید درایو دانفوس سری danfoss FC302 می توانید از لینک زیر اقدام نمایید.
اینورتر دانفوس VLT® AutomationDrive FC 301
اینورتر دانفوس FC 301 یکی از پیشرفتهترین و قدرتمندترین مدلهای خانواده VLT® AutomationDrive است که برای کاربریهای صنعتی سنگین و پروژههای حساس طراحی شده است. این مدل برای خطوط تولید بزرگ، سیستمهای حملونقل، صنایع فولادی و معدنی، خودروسازی و اتوماسیون پیچیده مناسب است و نقش کلیدی در اتوماسیون صنعتی دارد.
FC 303 امکانات بسیار گستردهای ارائه میدهد، از جمله کنترل دقیق سرعت و گشتاور موتور با تکنولوژی برداری حلقهبسته، پشتیبانی از موتورهای آسنکرون، سنکرون، سروو و PM، و داشتن PLC داخلی که امکان برنامهریزی و کنترل بدون نیاز به تجهیزات جانبی را فراهم میکند. این مدل قابلیت کنترل چند سرعت، کنترل شار و گشتاور، شناسایی خودکار مشخصات موتور و اجرای توابع ایمنی و صرفهجویی انرژی را نیز دارد.
اینورتر FC 301 به راحتی به شبکههای صنعتی مختلف مانند Profibus، Profinet، EtherCAT و CANopen متصل میشود و رابط کاربری گرافیکی و نرمافزار قدرتمند آن راهاندازی و استفاده را ساده میکند. رنج توان این مدل از ۰.۷۵ کیلووات تا ۱۰۰۰ کیلووات است و میتواند هم با برق تکفاز و هم سهفاز کار کند. همچنین از درجه حفاظت IP20 تا IP66/NEMA 4X پشتیبانی میکند و برای محیطهای داخلی و صنعتی سخت مناسب است.
این مدل با سیستمهای DrivePro® Services دانفوس سازگار است تا امکان پایش سلامت دستگاه، پیشبینی خرابی، آپدیت نرمافزار و مشاوره از راه دور فراهم شود. برای نصب و تنظیمات دقیق، استفاده از دفترچه راهنمای انگلیسی FC 301 توصیه میشود و تیم پشتیبانی ما آماده ارائه مشاوره فنی و آموزش کامل راهاندازی این مدل است.
دفترچه راهنمای انگلیسی اینورتر دانفوس danfoss FC303
خلاصه مشخصات مدلهای درایو danfoss بصورت جدول
مدلهای سافت استارتر دانفوس
پرفروش ترین محصول دانفوس
پرفروشترین درایو دانفوس؛ مدل FC-51 (VLT Micro Drive)
درایو Danfoss FC-51 بهعنوان یکی از پرفروشترین اینورترهای دانفوس شناخته میشود.
این محصول به دلیل ابعاد کوچک، قیمت اقتصادی، مصرف بهینه انرژی و نصب آسان جایگاه ویژهای در صنایع مختلف پیدا کرده است.
ویژگیهایی که باعث محبوبیت FC-51 شدهاند:
-
طراحی فشرده و مناسب برای فضاهای محدود
-
صرفهجویی در انرژی و کاهش هزینههای برق
-
قابلیت اطمینان بالا و عمر طولانی
-
کاربری ساده و راهاندازی سریع
-
مناسب برای کاربردهای پمپ، فن، نوار نقاله و ماشینآلات سبک
ترکیب این ویژگیها باعث شده FC-51 به یکی از پرفروشترین و محبوبترین درایوهای دانفوس در ایران و جهان تبدیل شود.
درایور دانفوس Fc51 رو میتونید با بهترین قیمت و بهترین پشتیبانی فنی از نمایندگی رسمی ما خرید کنید.
مدلهای قدیمی اینورتر دانفوس
تولید این درایو های دانفوس متوقف شده است
درایو دانفوس مدل VLT 3500
درایو دانفوس مدل VLT 3000
درایو دانفوس مدل VLT 2800
درایو دانفوس سری VLT 5000
اینورتر دانفوس سری VLT 6000
اینورتر دانفوس سری VLT 8000
آموزش اینورتر دانفوس
احتمالاً برای شما هم پیش آمده که بعد از خرید اینورتر دانفوس، در مراحل نصب و استفاده با سوالات و چالشهایی روبهرو شده باشید. از تنظیم پارامترهای اولیه گرفته تا نحوه سیمبندی و رفع خطاها، بسیاری از کاربران به یک راهنمای جامع و قابلفهم نیاز دارند.
در این بخش تلاش کردهایم مهمترین نکات مربوط به آموزش اینورتر دانفوس را بهصورت خلاصه و کاربردی در اختیار شما قرار دهیم. این نکات شامل روش صحیح نصب، راهاندازی اولیه، تنظیمات پایه و عیبیابی رایج هستند تا بتوانید بدون نیاز به منابع پیچیده و پراکنده، به راحتی درایو دانفوس خود را آماده بهرهبرداری کنید.
نکته مهم: این بخش تنها یک آموزش مقدماتی است. برای یادگیری کامل و حرفهای، توصیه میکنیم از دفترچه راهنمای انگلیسی اینورتر دانفوس یا آموزش تخصصی حضوری/آنلاین کارشناسان ما استفاده نمایید.
در ادامه به نکات کلیدی نصب و استفاده میپردازیم تا راهاندازی درایو شما بدون مشکل انجام شود.
⚠ رعایت تمام نکات ایمنی و کاربردیِ مندرج در دفترچه اصلی و کاتالوگ دانفوس ضروریست. راهنمای ما همه مطالب و جزئیات را در بر ندارد.
نکات نصب اینورتر دانفوس (Danfoss Inverter Installation Tips)
قبل از آنکه به تنظیمات و راهاندازی اینورتر دانفوس بپردازید، رعایت چند نکته کلیدی در مرحله نصب ضروری است. رعایت این موارد باعث افزایش طول عمر درایو، عملکرد پایدارتر و جلوگیری از خطاهای رایج میشود. در ادامه به مهمترین موارد اشاره میکنیم:
- برای استارت/استاپ موتور هرگز از قطع و وصل برق ورودی یا خروجی استفاده نکنید. این کار باعث آسیب به IGBTها و بخش قدرت دستگاه میشود؛ همیشه از فرمانهای کنترلی روی کیپد یا ورودیهای دیجیتال استفاده کنید.
- در محیطهای با دمای بالاتر از ۴۰ درجه سانتیگراد یا ارتفاع بیش از ۱۰۰۰ متر از سطح دریا، توان اینورتر باید یک رنج بالاتر از بار انتخاب شود یا از کیتهای خنککننده دانفوس استفاده گردد.
- اینورتر را حتماً بهصورت عمودی نصب کنید و فاصله مناسب با دیوار یا تجهیزات اطراف برای تهویه هوا رعایت شود. دانفوس حداقل ۱۰۰ میلیمتر فضای آزاد اطراف را توصیه کرده است.
- رطوبت، گردوغبار و گازهای خورنده دشمن قطعات الکترونیکی هستند؛ اگر محیط آلوده است، از مدلهای با حفاظت IP54 یا IP66 استفاده کنید.
- فیوز مناسب ورودی: بهترین حفاظت برای اینورتر دانفوس استفاده از فیوزهای تندسوز (aR) یا کلیدهای حفاظتی MCCB با مشخصات توصیهشده در دفترچه فنی است.
- چوک ورودی: اگر نوسانات ولتاژ بیش از ۳٪ باشد یا هارمونیک شبکه زیاد است، حتماً از چوک ورودی استفاده کنید تا به بردهای داخلی آسیب نرسد.
- چوک خروجی: در صورتی که طول کابل موتور بیش از ۵۰ متر است، استفاده از چوک خروجی (Output Reactor) جهت جلوگیری از آسیب به سیمپیچ موتور ضروری است.
- سیستم ارت استاندارد: حتماً دستگاه را به ارت مناسب و استاندارد متصل کنید تا هم ایمنی و هم عملکرد درایو تضمین شود.
- برای مدلهای سهفاز نیازی به اتصال سیم نول وجود ندارد. تنها سه فاز ورودی و ارت کافی است.
- اگر دستگاه بیش از یک سال بدون استفاده مانده است، پیش از اتصال برق، خازنهای داخلی باید احیا شوند (با استفاده از منبع تغذیه ولتاژ پایین یا خدمات تخصصی).
توصیه مهم: پیش از نصب و راهاندازی حتماً دفترچه راهنمای رسمی دانفوس را مطالعه کنید و در صورت نیاز از متخصصان فنی مشاوره بگیرید تا از هرگونه آسیب احتمالی جلوگیری شود.
جمع بندی سریع نکات نصب درایور دانفوس
|
مورد |
توصیههای کلیدی |
|
نصب |
عمودی، فضای تهویه مناسب، نصب روی سطح صاف |
|
حفاظت محیط |
استفاده از مدل IP مناسب برای محیطهای آلوده |
|
برق ورودی |
استفاده از فیوز مناسب، چوک ورودی در صورت نوسان |
|
سیمکشی خروجی |
چوک خروجی برای کابلهای طولانی |
|
ایمنی |
اتصال ارت استاندارد |
|
نگهداری |
احیای خازنها در صورت عدم استفاده طولانیمدت |
آموزش نصب اینورتر دانفوس در تابلو برق
شکل زیر روش نصب اینورتر دانفوس در تابلو برق را نمایش می دهد. همانطور که ملاحظه می شود برای تهویه بهینه، بایستی اینورتر دانفوس بصورت عمودی در تابلو برق نصب شود
همچنین درایو دانفوس را بایستی بصورت زیر در تابلو برق نصب کنید به نحوی که فواصل آزاد به اندازه لازم در اطراف آن جهت تهویه وجود داشته باشد.
آموزش اتصال و نصب ترمینالهای قدرت درایو دانفوس
اتصال صحیح ترمینالهای قدرت یکی از مهمترین مراحل در راهاندازی اینورتر دانفوس است. اشتباه در سیمبندی میتواند باعث آسیب شدید به دستگاه یا موتور شود. جدول زیر راهنمای اصلی سیمبندی قدرت (ورودی و خروجی) در مدلهای رایج سری Danfoss VLT® است:
همچنین با توجه به پلاک موتور و نوع اینورتر دانفوس که تکفاز است یا سه فاز، سربندی کلاف های موتور را به درستی انجام دهید. درصورت وجود سوال با نمایندگی رسمی ما تماس بگیرید.
|
ترمینال |
کاربرد |
توضیحات مهم |
|
نام ترمینال |
کاربرد |
توضیح ساده |
|
L1 / R |
فاز ۱ ورودی برق |
اولین سیم برق ورودی را به این ترمینال وصل کنید. |
|
L2 / S |
فاز ۲ ورودی برق |
سیم دوم برق ورودی اینجا وصل میشود (در برق تکفاز فقط L1 و L2 استفاده میشوند). |
|
L3 / T |
فاز ۳ ورودی برق |
سیم سوم برق ورودی (فقط در مدلهای سهفاز استفاده میشود). |
|
PE |
ارت (زمین) |
اتصال به سیم ارت برای ایمنی دستگاه و جلوگیری از برقگرفتگی الزامی است. |
|
U |
خروجی به موتور – فاز ۱ |
یکی از سیمهای موتور اینجا وصل میشود. |
|
V |
خروجی به موتور – فاز ۲ |
سیم دوم موتور به این ترمینال وصل میشود. |
|
W |
خروجی به موتور – فاز ۳ |
سیم سوم موتور به این ترمینال وصل میشود. |
|
DC+ |
باس DC مثبت |
در بعضی پروژهها برای ترمز یا ماژول جانبی استفاده میشود. |
|
DC- |
باس DC منفی |
برای مقاومت ترمز یا ماژول DC لینک به کار میرود. |
نکات کلیدی:
- همیشه قبل از اتصال برق، ولتاژ ورودی و خروجی را بررسی کنید تا با رنج ولتاژ دستگاه تطابق داشته باشد.
- موتور باید سهفاز متناسب با رنج خروجی اینورتر باشد (مگر در مدلهای تکفاز خاص).
- جهت گردش موتور در صورت نیاز با جابهجایی دو سیم خروجی (V و W) تغییر میکند.
- طول کابل موتور اگر بیش از ۵۰ متر است، حتماً از چوک خروجی استفاده شود.
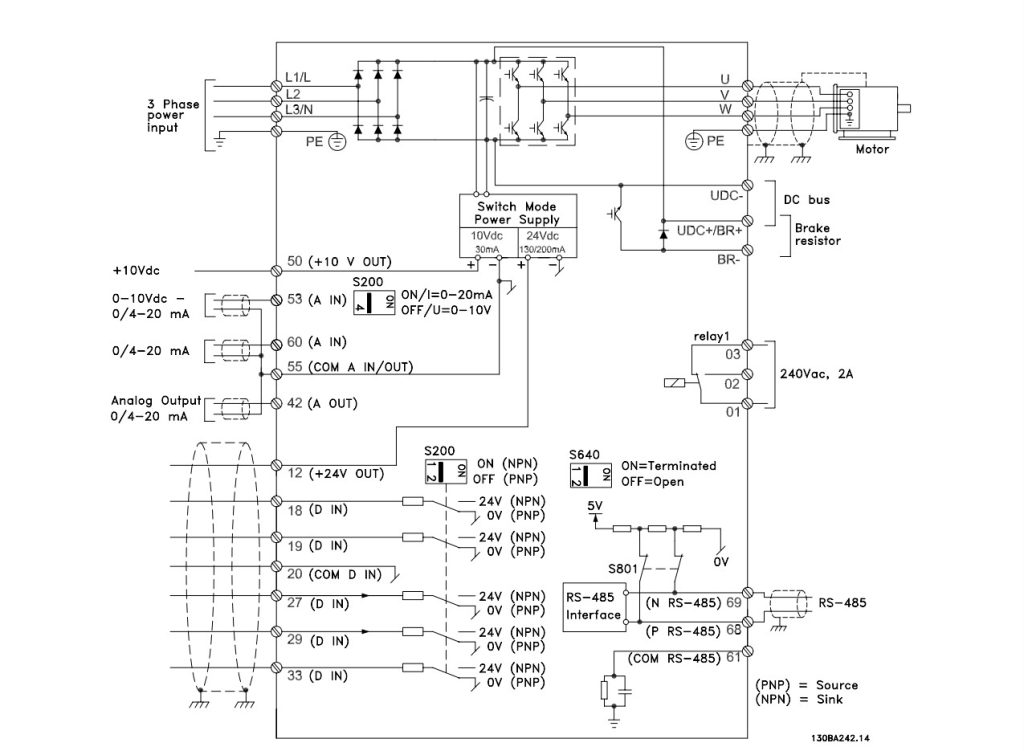
آموزش نحوه اتصال ترمینالهای کنترل درایو دانفوس (Control Terminals Wiring)
سیم بندی ترمینالهای کنترلی مرحله بعد در آموزش درایو danfoss می باشد. برای اتصالات مدار کنترل اینورتر دانفوس از دیاگرام زیر کمک بگیرید(تنظیمات پیشفرض با پرانتز مشخص شدهاند) در صورت وجود سوال و ابهام لطفا تماس حاصل فرمایید.
جدول زیر خلاصهای از ترمینالهای کنترل متداول در سریهای Danfoss VLT® (تمام مدلها) است. این ترمینالها برای تنظیم فرمانها، ورودی/خروجی دیجیتال و آنالوگ، و اتصال ارتباطی استفاده میشوند.
|
ترمینال |
کارکرد |
توضیحات مهم |
|
16–33 (D IN) |
ورودی دیجیتال (Start، Stop، بالا/پایین سرعت، reset و…) |
تا 240 V AC/DC یا 24V؛ در FC‑280 و FC‑301/302 کاربرد بالا دارد |
|
20 (COM D IN) |
مشترک گیت دیجیتال |
مشترک (common) برای ورودیهای دیجیتال مدلهای VLT |
|
50 (+10 V OUT) |
مرجع ولتاژ برای سنسورها/پتانسیومتر |
حداکثر 12 mA؛ برای اتصال PTC ترمیستور یا پتانسیومتر ورودی |
|
53–54 (A IN) |
ورودی آنالوگ (0/‑10 V یا 0/4‑20 mA) |
رابط سنسورهای قابل تنظیم سرعت یا فشار؛ مقاومت داخلی 10 kΩ |
|
55 (COM A IN) |
مشترک آنالوگ |
مشترک تغذیه ورودی آنالوگها |
|
39 (COM A OUT) |
مشترک خروجی آنالوگ/دیجیتال |
مشترک مشترک O/P ها برای مانیتور یا کنترل خارجی |
|
42–45 (A OUT) |
خروجی آنالوگ (0/4‑20 mA) |
مانیتورینگ وضعیت (جریان، سرعت، خطا و…) |
|
68–69 (RS‑485 A/B) |
ارتباط سریال (Modbus یا پروتکلهای صنعتی) |
اتصال به سیستمهای BMS یا PLC |
|
Common (COM RS‑485) |
مشترک ارتباط سریال |
مرجع اتصال برای RS‑485 |
نکات نصب و توصیههای کاربردی:
- استفاده از کابل شیلددار برای ورودیهای کنترل دیجیتال و آنالوگ اگر مسیر سیمکشی نزدیک کابلهای قدرت باشد (کمتر از حدود ۱۵ سانتیمتر) الزامی است تا نویز کاهش یابد .
- سیمبندی کنترل از سیمبندی قدرت جدا باشد تا تداخل الکترومغناطیسی ایجاد نشود.
- پیچهای ترمینالها به طور مناسب بسته شوند (حدود ۴.۵ Lb‑In) تا تماس برقدار محکم برقرار باشد و ریسک شلشدن یا حرارتزا کاهش یابد .
- قبل از راهاندازی، ولتاژ روی ورودیها بررسی شود تا از نوع عملکرد (AC یا DC) اصالتاً با مشخصات دفترچه مطابقت داشته باشد.
- ورود سیگنال استارت/استپ از طریق ورودی دیجیتال باشد؛ استفاده از قطع/وصل برق ورودی بههیچوجه برای کنترل توصیه نمیشود.
آموزش دکمههای کیپد اینورتر دانفوس (Danfoss VLT® Keypad)
همانطور که میدانیم در بحث تنظیمات اینورتر دانفوس ، کیپد یا نمایشگر نقش مهمی بر عهده دارد. شکل زیر کیپد یا نمایشگر اینورتر دانفوس را به همراه توضیح کوتاه درباره قسمتهای مختلف آن نشان می دهد.
کیپد اینورترهای دانفوس (Local Control Panel – LCP) یکی از مهمترین ابزارهای کاربری برای راهاندازی، کنترل و تنظیم پارامترهای دستگاه است. دانفوس برای راحتی کاربران، کیپد را گرافیکی، با زبان ساده و کلیدهای میانبر کاربردی طراحی کرده است.
معرفی دکمههای اصلی کیپد دانفوس
|
کلید |
عملکرد |
|
[Hand On] |
روشن کردن درایو در حالت دستی (بدون نیاز به فرمان خارجی). |
|
[Off / Reset] |
توقف موتور یا ریست کردن خطاها (Alarm / Trip). |
|
[Auto On] |
فعالسازی درایو در حالت اتوماتیک (فرمان از ورودیهای دیجیتال یا شبکه). |
|
[▲ / ▼] |
افزایش یا کاهش مقدار پارامترها یا سرعت موتور (در حالت دستی). |
|
[OK] |
تأیید انتخاب منو یا ذخیره تنظیمات پارامتر. |
|
[Back / Cancel] |
بازگشت به منوی قبلی یا لغو تغییرات. |
|
[Quick Menu] |
دسترسی سریع به تنظیمات پرکاربرد (مثل پارامترهای موتور یا شتاب/کاهش سرعت). |
|
[Main Menu] |
ورود به منوی کامل تنظیمات پارامترها و بخشهای تخصصی درایو. |
|
[Status] |
مشاهده وضعیت لحظهای درایو (سرعت، جریان، ولتاژ، خطاها و…). |
|
[Alarm Log] |
نمایش تاریخچه خطاها و هشدارهای ذخیرهشده در دستگاه. |
جدول خطاهای رایج اینورتر دانفوس (Alarm / Trip Codes)
یکی از مواردی که ما لاجرم در طول استفاده از اینورتر با آن موجه خواهیم شدو بروز خطاهای درایو دانفوس است که بیانگر وجود یک اشکال در بخشی از کار یا تجهیزات است و بایستی برطرف شوند.
برخی از خطاهای رایج درایور دانفوس در جدول زیر امده است.
|
کد خطا |
عنوان خطا |
توضیح |
راهکار سریع |
|
Alarm 12 |
Overcurrent |
جریان بیش از حد در خروجی اینورتر |
بررسی اضافهبار موتور، تنظیم شتاب مناسب، بررسی اتصال کوتاه |
|
Alarm 13 |
Overvoltage |
ولتاژ باس DC بیش از حد مجاز |
کنترل ولتاژ ورودی، بررسی سیستم ترمز دینامیکی |
|
Alarm 14 |
Earth Fault |
اتصال زمین در خروجی موتور |
بررسی سیمکشی موتور و اتصال ارت |
|
Alarm 16 |
Control Card Fault |
خطای برد کنترلی |
ریست اینورتر، بررسی نویز، در صورت تکرار سرویس |
|
Alarm 27 |
Heatsink Overtemp |
دمای بیش از حد هیتسینک |
بهبود تهویه، تمیزکردن فیلتر و هیتسینک، کاهش بار |
|
Alarm 33 |
Motor Phase Loss |
قطع یکی از فازهای موتور |
بررسی کابلهای موتور و ترمینالهای خروجی |
|
Alarm 45 |
Option Module Fault |
خطای ماژول جانبی (مثلاً Modbus یا Profibus) |
بررسی ماژول، اتصال و تنظیمات شبکه |
|
Alarm 50 |
Low Voltage |
افت ولتاژ ورودی |
بررسی منبع تغذیه، اطمینان از کابلکشی صحیح |
|
Alarm 59 |
Inrush Fault |
خطای مدار شارژ خازن |
بررسی منبع تغذیه و برد قدرت؛ در صورت تکرار سرویس |
|
Alarm 85 |
Internal Fault |
خطای داخلی اینورتر |
ریست دستگاه، در صورت تداوم نیاز به تعمیر تخصصی |
نکات مهم:
- کدهای خطا در نمایشگر بهصورت Alarm (هشدار) یا Trip (قطع کامل) ظاهر میشوند.
- بعد از رفع خطا، با دکمه [Off/Reset] میتوان خطا را پاک کرد.
اگر خطا تکرار شد، بهتر است به دفترچه راهنمای مدل خاص مراجعه کنید یا از پشتیبانی فنی استفاده کنید
نکته مهم در مورد تنظیمات پارامترها
باید توجه داشت که شمارهگذاری و ساختار پارامترها در درایوهای دانفوس (چه سری FC-51، چه FC-102، FC-302 و سایر مدلها) با هم متفاوت است. به همین دلیل، استفاده از یک لیست عمومی برای همه مدلها میتواند باعث سردرگمی یا حتی خطا در راهاندازی شود.
بهترین مرجع برای تنظیمات دقیق، دفترچه راهنمای انگلیسی همان مدل است که تمامی پارامترها، گروهبندیها و مراحل راهاندازی در آن بهطور کامل توضیح داده شدهاند. در صورتی که دسترسی به راهنما برای شما دشوار است یا نیاز به راهنمایی تخصصی در انتخاب و تنظیم دارید، میتوانید با کارشناسان ما تماس بگیرید تا راهنمایی متناسب با مدل دستگاه شما ارائه شود.
فروش اینورتر دانفوس VLT
ما بهعنوان نمایندگی رسمی فروش اینورتر دانفوس، تمامی سریهای Danfoss VLT شامل FC‑51، FC‑101، FC‑102، FC‑202، FC‑280 و FC‑301/302 را با گارانتی معتبر و خدمات پس از فروش ارائه میکنیم.
این محصولات با کیفیت ساخت بالا، طول عمر زیاد و قابلیتهای کنترلی پیشرفته، یکی از بهترین انتخابها برای پروژههای صنعتی، ساختمانی و تأسیساتی هستند.
قیمت اینورتر دانفوس بسته به مدل، توان و امکانات دستگاه متفاوت است. برای دریافت لیست قیمت بهروز اینورتر دانفوس و مشاوره تخصصی در انتخاب مناسبترین مدل متناسب با نیاز پروژه خود، همین حالا با کارشناسان ما تماس بگیرید.
برای دریافت مشاوره و خرید اینورتر دانفوس با کارشناسان ما تماس بگیرید.
سخن پایانی
مطالب مرتبط با درایوهای دانفوس، بهویژه مدلهای پرطرفدار آن مانند FC-51 بسیار گسترده و متنوع است و ما تلاش میکنیم به مرور مقالات کاملتر و کاربردیتری در این زمینه منتشر کنیم. اگر سوال یا موضوع خاصی مدنظر دارید، خوشحال میشویم در بخش نظرات با نمایندگی ما در میان بگذارید تا در مقالات آینده به آن بپردازیم. هدف ما این است که محتوایی ارائه دهیم که هم برای متخصصان صنعت و هم برای علاقهمندان عمومی قابلفهم و مفید باشد.
نظر شما راجع به این محتوا چیست؟
درباره DANFOSS
دانفوس یک شرکت تکنولوژیک دانمارکی است که در سال ۱۹۳۳ توسط Mads Clausen تأسیس شد و از سال ۱۹۴۶ با نام دانفوس شناخته میشود. این شرکت به سرعت رشد کرد و در دهه ۱۹۵۰ بزرگترین تولیدکننده سیستمهای سرمایشی و گرمایشی اروپا بود.
دانفوس اکنون بیش از ۲۵ هزار کارمند دارد، در ۲۰ کشور دنیا و ۶۹ کارخانه محصولاتش را تولید میکند و به بیش از ۱۰۰ کشور صادر میکند. مقر اصلی شرکت در شهر Nordborg، دانمارک قرار دارد.
محصولات اصلی دانفوس شامل سیستمهای سرمایشی و گرمایشی (HVAC)، درایوها و سافت استارترها برای کنترل موتور و تجهیزات مرتبط، و همچنین سیستمهای انرژی خورشیدی و بادی هستند. خرید شرکت VACON از دیگر اقدامات مهم دانفوس برای توسعه جهانی در زمینه درایوهاست.